Product Summary
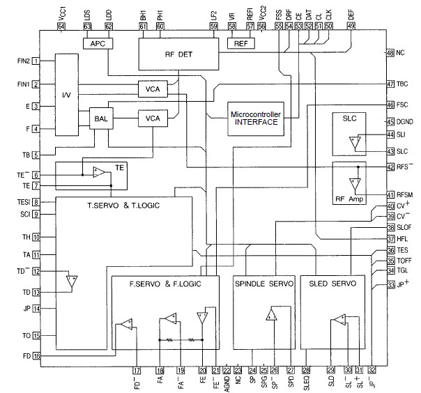
The LA9241M is an analog signal processing and servo control bipolar IC designed for use in compact disc players; a compact disc player can be configured by combining the LA9241M with a CD-DSP such as the LC78622E and LC78620E, with a small number of additional components required.
Parametrics
LA9241M absolute maximum ratings: (1)Maximum supply voltage, VCC max Pin 56, 64: 7 V; (2)Allowable power dissipation, Pd max: 350 mW; (3)Operating temperature, Topr: –25 to +75℃; (4)Storage temperature, Tstg: –40 to +150℃.
Features
LA9241M features: (1)Focus offset auto cancel: FE (pin 20); (2)Tracking offset auto cancel: TE (pin 7); (3)EF balance auto adjustment; (4)RF level AGC function; (5)Tracking servo gain RF level following function; (6)Focus search smoothing setting pin: FSC (pin 46); (7)EF balance adjustment variable range setting pin: (pin 47); (8)Focus search mode switching pin: (pin 55).
Diagrams

| Image | Part No | Mfg | Description | ![]() |
Pricing (USD) |
Quantity | ||||
|---|---|---|---|---|---|---|---|---|---|---|
![]() |
![]() LA9241M |
![]() Other |
![]() |
![]() Data Sheet |
![]() Negotiable |
|
||||
| Image | Part No | Mfg | Description | ![]() |
Pricing (USD) |
Quantity | ||||
![]() |
![]() LA9230M |
![]() Other |
![]() |
![]() Data Sheet |
![]() Negotiable |
|
||||
![]() |
![]() LA9231M |
![]() Other |
![]() |
![]() Data Sheet |
![]() Negotiable |
|
||||
![]() |
![]() LA9240M |
![]() Other |
![]() |
![]() Data Sheet |
![]() Negotiable |
|
||||
![]() |
![]() LA9241M |
![]() Other |
![]() |
![]() Data Sheet |
![]() Negotiable |
|
||||
![]() |
![]() LA9242M |
![]() Other |
![]() |
![]() Data Sheet |
![]() Negotiable |
|
||||
![]() |
![]() LA9247T |
![]() Other |
![]() |
![]() Data Sheet |
![]() Negotiable |
|
||||
(China (Mainland))









