Product Summary
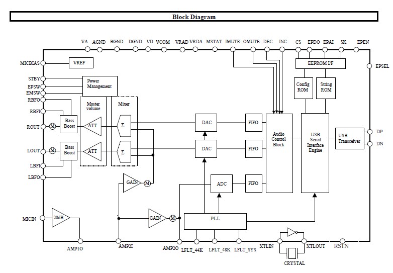
The AK4571VQ USB Interface Audio CODEC incorporates a 16-bit CODEC, PLLs, USB transceiver, SIE (serial interface engine), audio class processing unit, FIFO and other required signals into a single chip. The AK4571VQ can simultaneously transmit and receive audio stream data through USB bus. In addition to this, the single-channel ADC and 2- channel DAC can operate at different sampling rates. The AK4571VQ1 has a programmable gain amplifier for analog input (IPGA). The gain range is from -31dB to +24dB with 1dB steps. In addition to the IPGA, the AK4571VQ also has a fixed +20dB pre-amplifier. Analog input signals can be mixed directly with the D/A signal and sent to the LINEOUT pins of the chip.
Parametrics
AK4571VQ absolute maximum ratings: (1)Power Supplies, Analog, VA: -0.3 to 4.5V; (2)Power Supplies, Digital, VD: -0.3 to 4.5V; (3)Power Supplies, |DGND-AGND|, DGND: 0.3V; (4)Input Current (any pins except for supplies), IIN: ±10mA; (5)Analog Input Voltage, VINA: -0.3 to VA+0.3V; (6)Digital Input Voltage, VIND: -0.3 to VD+0.3V; (7)Ambient Temperature, Ta: 0 to 70℃; (8)Storage Temperature, Tstg: -40 to 125℃.
Features
AK4571VQ features: (1)USB Audio Controller; (2)16bit CODEC; (3)HID Support; (4)Power Management; (5)EEPROM Interface (Microwire Interface); (6)On-chip PLL; (7)Single Power Supply, Low Power: +3.3 Volts ± 0.3 V; (8)Package: 48pin LQFP.
Diagrams

| Image | Part No | Mfg | Description | ![]() |
Pricing (USD) |
Quantity | ||||||||||||||||||
|---|---|---|---|---|---|---|---|---|---|---|---|---|---|---|---|---|---|---|---|---|---|---|---|---|
![]() |
![]() AK4571VQP |
![]() |
![]() IC AUDIO CODEC W/USB 16B 48LQFP |
![]() Data Sheet |
![]()
|
|
||||||||||||||||||
| Image | Part No | Mfg | Description | ![]() |
Pricing (USD) |
Quantity | ||||||||||||||||||
![]() |
![]() AK4527B |
![]() Other |
![]() |
![]() Data Sheet |
![]() Negotiable |
|
||||||||||||||||||
![]() |
![]() AK4532 |
![]() Other |
![]() |
![]() Data Sheet |
![]() Negotiable |
|
||||||||||||||||||
![]() |
![]() AK4538 |
![]() Other |
![]() |
![]() Data Sheet |
![]() Negotiable |
|
||||||||||||||||||
![]() |
![]() AK4571VQP |
![]() |
![]() IC AUDIO CODEC W/USB 16B 48LQFP |
![]() Data Sheet |
![]()
|
|
||||||||||||||||||
![]() |
![]() AK4584VQP |
![]() |
![]() IC STEREO CODEC 24BIT 44LQFP |
![]() Data Sheet |
![]()
|
|
||||||||||||||||||
![]() |
![]() AK4544A |
![]() Other |
![]() |
![]() Data Sheet |
![]() Negotiable |
|
||||||||||||||||||
(China (Mainland))











