Product Summary
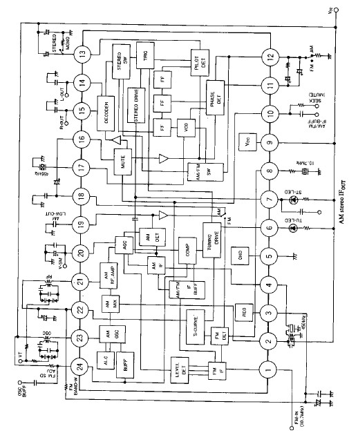
The LA1832L-E is a single-chip AM/FM IF and MPX tuner IC that supports electronic tuning. The LA1832L-E was developed for consumer audio systems and is optimal for auto-seek systems based on IF count methods used together with SD. Since no adjustments are required in the FM detector and MPX VCO circuits, use of the LA1832L-E can significantly reduce the number of adjustment steps in the end-product manufacturing line.
Parametrics
LA1832L-E absolute maximum ratings: (1)Maximum supply voltage, Vcc max: 9.0V; (2)Indicator drive current, ILED, Pins 6 and 7: 20mA; (3)Allowable power dissipation, Pd max: Ta≦70℃ (LA1832): 400mW; Ta≦70℃ (LA1832M): 270mW; (4)Operating temperaiure, Topr: -20 to +70℃; (5)Storage temperature, Tstg: -40 to +125℃.
Features
LA1832L-E features: (1)Major reduction in required adjustments: FM detector: No adjustments (ceramic discriminator used); MPX VCO: No adjustments (ceramic resonator used); (2)Tuning indicator pin provided (can be used as a narrowband stop signal or a muting drive output): SD output; (3)Supports IF count scheme; (4)Built-in SD time constant switching circuit; (5)Variable FM stop sensitivity and bandwidth; (6)Built-in AM local oscillator buffer; (7)Supports AM low-cut control; (8)Pin compatibility with the LA1831; (9)Built-in IF output function for AM stereo.
Diagrams

![]() |
![]() LA1800 |
![]() Other |
![]() |
![]() Data Sheet |
![]() Negotiable |
|
||||
![]() |
![]() LA1805 |
![]() Other |
![]() |
![]() Data Sheet |
![]() Negotiable |
|
||||
![]() |
![]() LA1806 |
![]() Other |
![]() |
![]() Data Sheet |
![]() Negotiable |
|
||||
![]() |
![]() LA1816 |
![]() Other |
![]() |
![]() Data Sheet |
![]() Negotiable |
|
||||
![]() |
![]() LA1816M |
![]() Other |
![]() |
![]() Data Sheet |
![]() Negotiable |
|
||||
![]() |
![]() LA1823 |
![]() Other |
![]() |
![]() Data Sheet |
![]() Negotiable |
|
||||
(China (Mainland))








