Product Summary
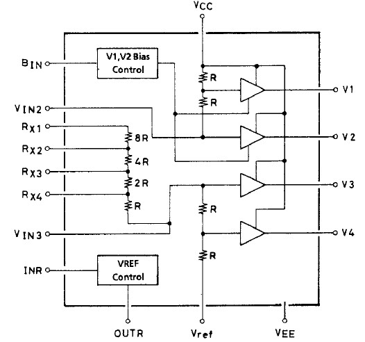
The LA5318M-TE-L is a variable divided voltage generator IC for multiple drive of LCD matrix.
Parametrics
LA5318M-TE-L absolute maximum ratings: (1)Maximum supply voltage, VEE max, VCC-VEE: 36 V; (2)Maximum output current, IOUT max, V1 to V4: Internal mA; (3)Allowable power dissipation, Pd max: 330 mW; (4)Operating temperature, Topr: –20 to +75℃; (5)Storage temperature, Tstg: –30 to +135℃.
Features
LA5318M-TE-L features: (1)Power supply for variable bias LCD division drive (1/5 to 1/19 bias available by built-in resistances); (2)Four operational amplifiers to deliver 5 voltage outputs; (3)Low current drain (0.35mA typ); (4)V1, V2 output current source side variable pin; (5)Output on/off function VREF control pins; (6)Miniflat package.
Diagrams

![]() |
![]() LA5312V |
![]() Other |
![]() |
![]() Data Sheet |
![]() Negotiable |
|
||||
![]() |
![]() LA5314 |
![]() Other |
![]() |
![]() Data Sheet |
![]() Negotiable |
|
||||
![]() |
![]() LA5317M |
![]() Other |
![]() |
![]() Data Sheet |
![]() Negotiable |
|
||||
![]() |
![]() LA5318V |
![]() Other |
![]() |
![]() Data Sheet |
![]() Negotiable |
|
||||
(China (Mainland))








